快捷导航

怀安移动空压机采购报价

查看数: 2354 | 评论数: 12 | 收藏 0
关灯 | 提示:支持键盘翻页<-左 右->
    组图打开中,请稍候......
发布时间: 2017-2-19 10:26

正文摘要:

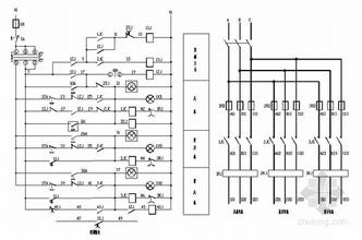
轴流式通风机叶片安拆角度普通可调。通过改变叶片安拆角度,使通风机的风量,风压发生变化,即改变通风机的特征曲线 、在其顺应的制冷量范畴内具有较高的效率; ,一般工做制动,即在减速阶段参取提拔机的速度节制 ...

回复

伊人浅笑 发表于 2017-3-27 23:53:26
抢二楼不能带一丝恶意,更不能带有侮辱性,不能有粗口,再看看3L你这SB在胡言乱语说些什么
北城南笙 发表于 2017-3-22 16:26:17
发发呆,回回帖,工作结束~
这次伱先走 发表于 2017-3-21 09:12:06
以上所说的都是抢二楼必备的,这次你没抢到2L不必在乎,不过名目张胆抢2L结果抢到三楼令楼下的人鄙视是不可免的,
似故人. 发表于 2017-3-19 15:41:06
支持,赞一个
忽而半夏 发表于 2017-3-15 23:11:49
楼主的几句话虽然简单,却概括扼要,一语道出了我们苦想多年的而不可得答案的几个重大问题的根本。楼主就好比社区的明灯,楼主就好比社区的方向,楼主就好比社区的栋梁。有楼主在,社区的明天必将更好!
刻骨铭心 发表于 2017-3-15 11:01:10
我是个凑数的。。。
执笔续写√承诺 发表于 2017-3-14 09:34:35
楼主是超人
夜夜醉っ 发表于 2017-3-5 07:50:16
我也是坐沙发的
゛勿忘初心 发表于 2017-3-3 14:47:28
向楼主学习

让创业更简单

  • 反馈建议:service_media@36kr.com
  • 客服电话:
  • 工作时间:周一到周五

云服务支持

精彩文章,快速检索

关注我们